Homemade Circuit Projects Make a 100 Watt LED Floodlight Constant Circuit Diagram LED Circuit Design. Learn how to design LED circuits. How to calculate resistor size, how to protect LED, how long will a battery power a circuit, how to calculate resistor power rating, how to connect LED and much more. Hi, I need to design a circuit for automotive use (so 12V) which uses x60 identical LEDS. The LEDs specs are white 3.3V

They are commonly used for high-power LEDs, as they provide a stable and reliable current source. Constant-voltage LED drivers: In order to design an LED driver circuit, it is important to calculate the values of the different components used in the circuit. These calculations are crucial to ensure that the LED operates within its specified

LED Driver Circuit Explained and Available Solutions Circuit Diagram
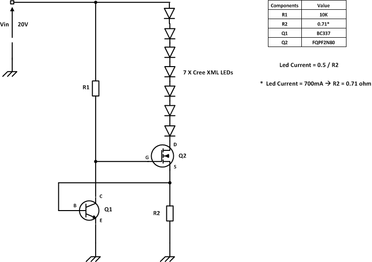
A simple high power LED bulb can be built using 3 or 4nos 1 watt LEDs in series, although the LEDs would be operated only at their 30% capacity, still the illumination will be amazingly high compared to the ordinary 20mA/5mm LEDs as shown below. Also spd circuit design for led lights and how to conncnt LDR in led light in internal or

When driving high-power LEDs, the power dissipation in a current limiting resistor can make the approach impractical and unattractive. When driving an ultra-efficient lighting source, it is desirable to use a very efficient method. The most efficient way to drive high-current LEDs is to use a DC-DC converter with current feedback. In the above high capacitive LED driver circuit, we can see 5 parallel strings of LEDs each having 10nos of 50 mA LED hooked up in series. and serve ONLY to take the 120VAC from the input power cord at the circuit end to the output receptacle at the non-circuit end to power then next lamp fixture in the chain. So, you can ignore these wires

Controlled LED Bulb Circuits you can Build at ... Circuit Diagram
The most simple example of this is the LED-resistor circuit, as mentioned earlier. If the current supplied to the LED is minimal, then it can usually be directly driven from a microcontroller pin, such as an Arduino, as shown in Figure 1. The major disadvantage of any linear LED driver circuit is dissipating the excess power. It's a white, high-power LED with a CRI of 95 and forward voltage of 6 volts. I want to use the highest voltage I can to reduce losses and keep the current as low as possible, thus reducing the heating on the LED panel. When looking for an AC-DC power supply in the 300-400 watt range, a 48V supply is the cheapest at the suppliers I use.

- consistent LED performance for a wide range of LED's and power supply - high efficiency, usually 80-90% for boost converters and 90-95% for buck converters - can power LED's from both lower or higher voltage supplies (step-up or step-down) - some units can adjust LED brightness - packaged units designed for power-LED's are available & easy to use In the above example circuit, the voltage source is a pure DC and the LED current set by the limiting resistor is 600mA. This gives a total LED power of 8.332W.The current limiting resistor is dissipating 3.67W.The total power applied to the circuit is 12W and the efficiency is only 69.43% which is very low.. LED Efficiency = 8.332W / 12W = 69.43%

Building a Reliable Led Driver Circuit: Detailed Schematic Guide Circuit Diagram
The rest of this introduction will focus on the math and physics you will need for practical LED circuit design if you want to make your own LED lighting circuit for a science or engineering project. One would be to choose a lower-voltage power supply (that is still high enough in voltage to power our LEDs). For example, you could use a
